ein weg aus der olympus-CH-sackgasse

Begonnen von smashIt, März 24, 2016, 17:05:00 NACHMITTAGS

Vorheriges Thema - Nächstes Thema

smashIt

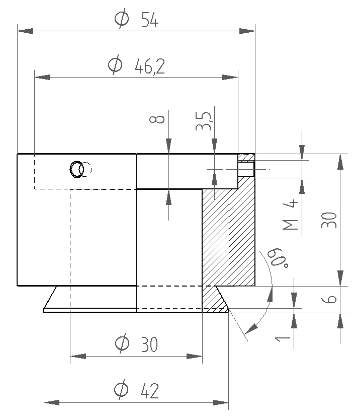
mit einem passendem adapter



und tubus



lässt sich ein gammeliges olympus ch



aufs UIS system upgraden



jetzt fehln mir nur noch ein paar passende objektive
bei den alten ändert sich der fokus vom 10er aufs 20er bereits so starkt das man mit dem 20er aufsitzt beim wechseln  ;D

wenn interesse besteht kann ich eine zeichnung vom adapter machen
MfG,
Chris

Bildung ist das was uns vom Tier unterscheidet.

Funtech.org

microvisioneer

Hallo Chris,

hast du das Drehteil selbst gefertigt?
warum ist denn das CH ohne UIS für dich eine Sackgasse?

Viele Grüße

Josef
ermöglicht Slide-Scanning mit manuellen Mikroskopen.

junio

Hallo Chris,
für mich als Olympus Laie ist Deine Info einfach zu sparsam. Sollte es darum gehen ein "endliches Mikroskop" mit  unendlicher Optik auszurüsten? In dem Falle geht es dann um die Tubuslinse. Steckt die im Binotubus oder in dem Adapter? Vielleicht habe ich auch alles falsch verstanden. Du wirst mir sicher auf die Sprünge helfen.
Beste Grüße von Jürgen aus Hagen

smashIt

@josef:
ja, der adapter ist selbst gedreht

wegen der sackgasse:
das ch hat noch 37mm abgleichlänge
dafür gibts kaum objektive und zubehör

und wenn man schon umrüstet... ;D


@jürgen:
die tubuslinse steckt im tubus

auf dauer will ich sowieso ins unendlich-lager wechseln
jetzt gehts auch schrittweise :)
MfG,
Chris

Bildung ist das was uns vom Tier unterscheidet.

Funtech.org

JB

schoene loesung!

der abstand zwischen objektiv und tubuslinse sollte bei uis2 50-170 mm betragen, aber das haben Sie anscheinend schon beruecksichtigt; gut gemacht. fehlt nur noch etwas schwarze mattfarbe!

smashIt

Zitat von: Safari in März 24, 2016, 23:00:35 NACHMITTAGS
schwarz eloxieren.

wäre meine bevorzugte lösung
aber mal schaun was das kostet und wo mans hier machen lassen kann...
MfG,
Chris

Bildung ist das was uns vom Tier unterscheidet.

Funtech.org

smashIt

weil ich gerade lust auf solid edge hatte  ;D

MfG,
Chris

Bildung ist das was uns vom Tier unterscheidet.

Funtech.org

Christian Linkenheld

Hallo,

das ist in der Tat ein interessanter Ansatz auch und gerade für BH2-Systeme. Die Kondensoraufnahme ist hier ja identisch zu BX-Systemen, so dass sich die entsprechenden Kondensoren aus dem Unendlich-Lager direkt nutzen lassen. Während BX-Stative nur für relativ viel Geld zu haben sind gibt es z.B. das BHT-Stativ schon oftmals relativ günstig. Die CX-Stative haben mich nie wirklich überzeugt. Ich habe hier ein CX40 mit sehr schöner Phasenkontrastoptik (u.a. ein UPLANFL 60X Ph3), die aber nur eingeschränkt am CX nutzbar ist. Ursache ist der völlig unterdimensionierte Kollektor im Mikroskopfuß - die Lichtquelle mit 6V/30W ist nicht daran schuld. Da ist ein BHT trotz weniger Leistung (6V/20W) deutlich besser, da es einen wesentlich leistungsfähigeren Kollektor hat.

viele Grüße

Christian

Klaus Herrmann

Hallo Chris,

saubere Lösung! Eine Frage: wo hast du die Tubuslinse her. Und wie ist die das drin befestigt? Beim Eloxieren kann ich helfen. Ich brauche nur das Teil dazu.
Mit herzlichen Mikrogrüßen

Klaus


ich ziehe das freundschaftliche "Du" vor! ∞ λ ¼


Vorstellung: hier klicken

smashIt

Zitat von: Klaus Herrmann in März 25, 2016, 12:30:59 NACHMITTAGS
Eine Frage: wo hast du die Tubuslinse her. Und wie ist die das drin befestigt?

die gehört fix zum tubus dazu



Zitat von: Klaus Herrmann in März 25, 2016, 12:30:59 NACHMITTAGS
Beim Eloxieren kann ich helfen. Ich brauche nur das Teil dazu.

das wäre großartig :)
rest per pm...
MfG,
Chris

Bildung ist das was uns vom Tier unterscheidet.

Funtech.org

wilfried48

#10
Hallo Klaus,

die Tubuslinse sitzt so wie bei Zeiss eingeschraubt unten im Tubus. Ich habe so schon lange ein Zeiss Standard WL  mit einem Trinotubus vom Axiolab auf Unendlichoptik umgerüstet. Da passen sogar die Phasenblenden der Kondensoren aus dem alten Zeiss Programm und die ganzen Zusatzteile wie Optovar, Fluoreszenzkondensor etc. wenn man die Telanlinsen herausschraubt. Und zwar ohne Vignettierung beim 25er Sehfeld.

Ob ich das allerdings ein CH Stativ umrüsten würde ? Da kostet ja dann jedes einzelne Aufrüstteil mehr als das ganze Stativ wert ist. Dann schon eher, wie  von Christian angeregt, das grosse BH2, das wesentlich besser ausbaubar ist.
Insofern müsste man eigentlich den Titel ändern in "raus aus der endlich Sackgasse aber nicht rein in die CH Sackgasse".

aber trotzdem an Chris mein Kompliment: schöne und gut gelöste Idee !

viele Grüsse
Wilfried

vorzugsweise per Du

Hobbymikroskope:
Zeiss Axiophot,  AL/DL/Ph/DIC/Epi-Fl
Zeiss Axiovert 35, DL/Ph/DIC/Epi-Fl
Zeiss Universal Pol,  AL/DL
Zeiss Stemi 2000 C
Nikon Labo-/Optiphot mit CF ELWD Objektiven

Sammlung Zeiss Mikroskope
https://www.mikroskopie-forum.de/index.php?topic=107.0

JB


MikroTux

Zitat von: smashIt in März 24, 2016, 17:05:00 NACHMITTAGS
jetzt fehln mir nur noch ein paar passende objektive
bei den alten ändert sich der fokus vom 10er aufs 20er bereits so starkt das man mit dem 20er aufsitzt beim wechseln  ;D

Ja, auch wegen der optischen Anpassung an die Tubuslinse sind passende Objektive bessere Wahl.
Beim Unendlich-System befindet sich die Schärfenebende im Abstand 1xBrennweite von der Objektseitigen Hauptebene. Im Endlichobjektiv kommt noch der Abstand Brennweite/Vergrößerungsfaktor hinzu, der beim Objektivabgleich einberechnet wurde, und bei deinem Mikroskop jetzt wegfällt. Um doppelte Vergrößerung  in derselben Tubuslänge unterzubringen hat das 20 nur ca(!) halbe Brennweite, die Distanz beim 10er Objektiv verkürzt sich also deutlich mehr, wie du feststellst.
Da du eine Drehbank hast, kannst du das ja ausmessen und mit Distanzen ausgleichen, bis du passendere Objektive findest. Ich schätze die Vergrößerungsfaktoren haben sich eh auch was verschoben, exakte Maßstäbe für dich nicht so wichtig sind so daß weitere Abweichungen nicht ins Gewicht fallen.