Hauptmenü

Cochliopodium spiniferum

Begonnen von Eckhard, Juli 23, 2014, 19:59:06 NACHMITTAGS

Vorheriges Thema - Nächstes Thema

Eckhard

Hallo in die Runde,

wie Mikrokosmos Leser und Besucher der Mikroskopie-Forum Treffen in Darmstadt wissen, sind Cochliopodium Amöben derzeit sozusagen meine Haustiere.

Cochliopodium Hertwig and Lesser 1874 ist eine Gattung von Amöben, die dorsal mit einer Tectum genanten Schuppenmatrix bedeckt ist. Sie sind zwischen 10 µm und einigen 100 µm gross (marine Arten) und i.d.R. lichtmikroskopisch nicht auf die Art bestimmbar. Die Form ist diskus- oder glockenartig. Sie ernähren sich von Algen und Bakterien. Die Struktur der Schuppen ist für die Bestimmung der Art ausschlaggebend. Die Schuppen sind höchst unterschiedlich aufgebaut und erstaunen bei jeder neuen Art immer wieder.

Nachfolgend ein paar Bilder:


Cochliopodium actinophorum Auerbach 1856 frisst gerade eine Kieselalge.


Cochliopdodium vestitum Archer 1871 frisst auch gerade eine Kieselalge


Cochliopdodium vestitum Archer 1871 bei der Exozytose. Dieser glockenförmige Aufriss des Tectums kann auch lichtmikroskopisch beobachtet werden. Hier werden Schuppen einer Goldalge ausgeschieden.

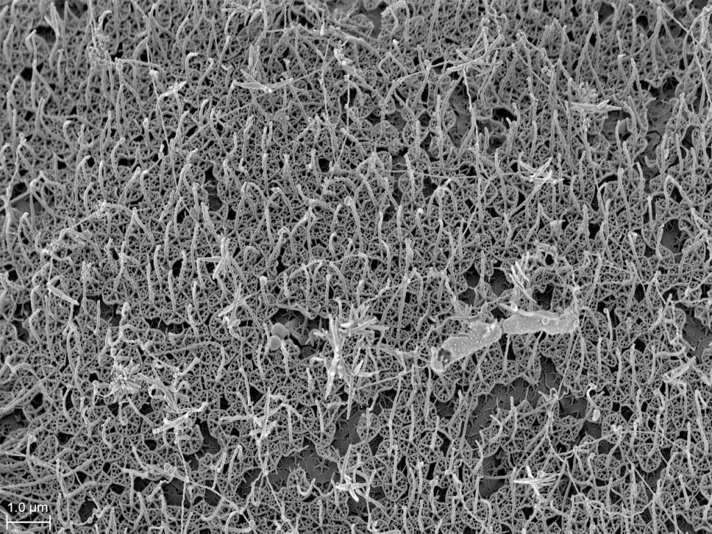
Bei manchen Cochliopodium Arten sind die Schuppen wie aus einem Science-Fiction Film. Hier als Beispiel die Schuppen von Cochliopodium spiniferum Kudryavtsev 2004, einer Zysten bildenden Art.







Mehr Bilder zu weiteren Arten von Cochliopodium findet man auf www.penard.de hier: http://www.penard.de/Amoebozoa/Discosea/Cochliopodium/index.html

Wer genau hinschaut, findet sogar ein Uroid. Viel Vergnügen!

Herzliche Grüsse
Eckhard
Zeiss Axioscope.A1 (HF, DF, DIK, Ph, Pol, Epifluoreszenz)
Nikon SE2000U (HF, DIK, Ph)
Olympus SZX 12 (HF, DF, Pol)
Zeiss Sigma (ETSE, InLens SE)

www.wunderkanone.de
www.penard.de
www.flickr.com/wunderkanone

Ronald Schulte

Eckhard,

Sehr beeindruckend. Könntest du mal ein Bild von deine Ausstattung und etwas zum Präparation und 'Sputter'-Technik erklären?

Grüße Ronald
Mikroskope:
Leitz Orthoplan (DL, AL-Fluoreszenz und Diskussionseinrichtung).
Leica/Wild M715 Stereomikroskop.
Mikrotom:
LKB 2218 Historange Rotationsmikrotom.

Eckhard

Hallo Ronald,

die Amöben sind mit der für Protozoen üblichen Fixierung fixiert worden, in der aufsteigenden Alkoholreihe entwässert und mit einem "Kritischen Punkt Trockner" getrocknet. Die ersten 3 Bilder sind mit Gold besputtered, die letzten 3 mit Platin. Das Sputter-Coating ist noch recht grob, ich hatte damals noch nicht das richtige Vakuum für ein besseres Ergebnis. Die auf Penard.de gezeigten C. spiniferum sind besser geworden, ich kann mittlerweile 3x10-2 mbar Vakuum im Sputter Coater erzeugen.

Ich habe Dir eine Mail geschickt.

Herzliche Grüsse,
Eckhard
Zeiss Axioscope.A1 (HF, DF, DIK, Ph, Pol, Epifluoreszenz)
Nikon SE2000U (HF, DIK, Ph)
Olympus SZX 12 (HF, DF, Pol)
Zeiss Sigma (ETSE, InLens SE)

www.wunderkanone.de
www.penard.de
www.flickr.com/wunderkanone

frfmfrfm

The photos of stunning realism.
Eckhard thank you very much.
Regards, Francisco.

Rawfoto

Guten Morgen

Das sind unglaublich feine Details, spitze !!!

So wie die Bilder aussehen hast Du die tricks jetzt schon sehr gut im Griff .-)

Liebe Gruesse

Gerhard
Gerhard
http://www.naturfoto-zimmert.at

Rückmeldung sind willkommen, ich bin jederzeit an Weiterentwicklung interessiert, Vorschläge zur Verbesserungen und Varianten meiner eingestellten Bilder sind daher keinerlei Problem für mich ...