Leitz Regeltrafo 12 V / 100 W defekt! Hilfe!!!

Begonnen von Peter V., Dezember 05, 2011, 17:18:11 NACHMITTAGS

Vorheriges Thema - Nächstes Thema

Peter V.

Hallo,

ich habe einen der letzten Leitz Regeltrafos (schwarz-weisses Gehäuse mit Voltmeter ), Typ 301-314.001 No. 2100. Es ist die letzte "querformatige" Bauform, nicht das ältere hochkant stehenden graue "Brikett". Habe gerade keine Kamera parat, er sieht so aus wie auf diesem Bild: http://www.google.de/imgres?imgurl=http://www.chemievermittlung.de/media/618/Mikroskop-Leitz-Labovert-FS-10x.jpg&imgrefurl=http://www.chemievermittlung.de/details.php%3Flang%3DDE%26id%3D618%26kategorie%3D40%26main_kat%3D8%26start%3D0%26nr%3D&usg=__vJQv0bzf2euUcgVAqvqCllcA26U=&h=1200&w=1600&sz=213&hl=de&start=0&zoom=1&tbnid=nJDf8JssLtb3mM:&tbnh=139&tbnw=201&ei=FvLcTrmLO8uZOvvehbAO&prev=/search%3Fq%3Dleitz%2BTransformator%26um%3D1%26hl%3Dde%26biw%3D1309%26bih%3D843%26tbm%3Disch&um=1&itbs=1&iact=rc&dur=93&sig=117794915824492295972&page=1&ndsp=23&ved=1t:429,r:1,s:0&tx=158&ty=100
Beim Einschalten in der O-Stellung des Potis vibriert der Voltmeter-Zeiger im unteren Bereich heftig mit niedriger Amplitude, wenn man die Spannung etwas erhöht, oszilliert der Zeiger und somit die Ausgangsspannung über den ganzen mittleren Spannungsbereich mit einer Amplitude von mehreren Volt im etwa 2-Hz-Takt wie ein Metronom, dreht man den Regler weiter auf, wird die Spannung zu 12 V hin stabiler. Nach ein paar Minuten stabilisiert sich das Ganze und der Trafo funktioniert über den gesamten Bereich einwandfrei!
Ich weiss: Ferndiagnosen kaum möglich! Aber: Vielleicht kennt ja jemand diesen Trafo und diesen Fehler? Im Trafo befindet sich ein IC, ein Mikrofreund, der schon einmal hineingeschaut hat, hat diesen (evtl.) als Ursache in Verdacht, ist sich aber auch nicht sicher. Zum Wegschmeißen ist das gute Stück zu schade, aber so auch nicht richtig zu verwenden.... :-\  :'(
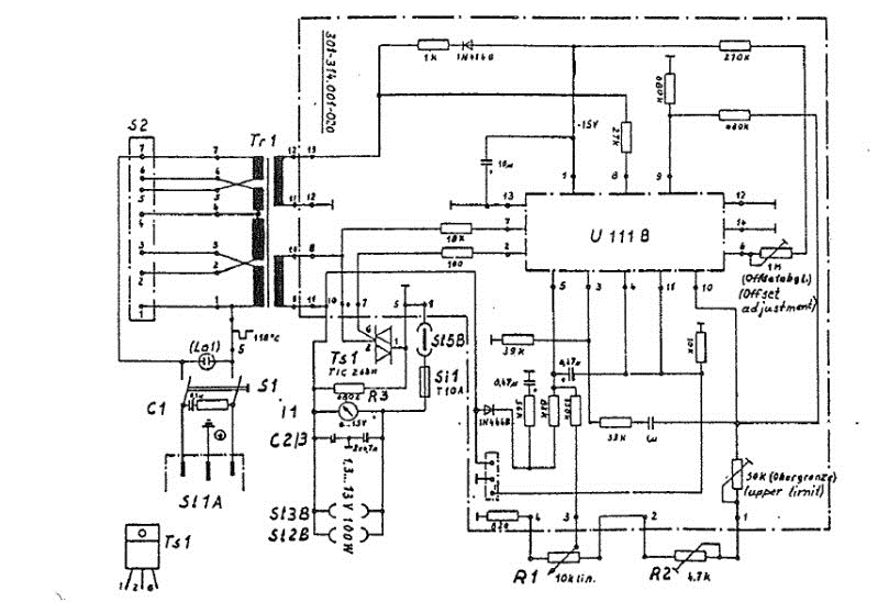
Ein Schaltplan ist vorhanden.

Hilfesuchende Grüße
Peter
Dieses Posting ist frei von kultureller Aneigung, vegan und wurde CO2-frei erstellt. Für 100 Posts lasse ich ein Gänseblümchen in Ecuador pflanzen.

Rawfoto

Hallo Peter

Fuer mich schaut das eher nach einem defekten Kondensator aus, ich kenne den speziellen Netzteil nicht, hatte aber so einen Fall von Olympus ..., dort war es der Kondensator. Es waren nur 2 Stueck drinnen und einer war der Uebeltaeter und nach tausch war alles wieder topp ...

:-)

Gerhard
Gerhard
http://www.naturfoto-zimmert.at

Rückmeldung sind willkommen, ich bin jederzeit an Weiterentwicklung interessiert, Vorschläge zur Verbesserungen und Varianten meiner eingestellten Bilder sind daher keinerlei Problem für mich ...

Werner

Hallo Peter!

Kannst Du mal den Schaltplan zeigen, dann ist eine Diagnose eher möglich.
Foto genügt.

Gruß   -   Werner

Peter V.

Hallo, Ihr Elektroniker,

hier der Schaltplan:



Herzliche Grüße
Peter
Dieses Posting ist frei von kultureller Aneigung, vegan und wurde CO2-frei erstellt. Für 100 Posts lasse ich ein Gänseblümchen in Ecuador pflanzen.

Lothar Gutjahr

Guten Morgen Peter,

das ist eine Triac - Steuerung.die Lampe wird mit Wechselspannung betrieben.( könnte man als elektronische Nachbildung eines mechanischen Regeltrafos bezeichnen) Der IC ist ein Phasensteuerbaustein, der nicht mehr produziert wird. Der vermutete Fehler dürfte aber im Pfad des Poti R1 zu suchen sein.

Will aber Werner nicht vorgreifen.

Einen schönen Tag wünscht

Lothar

Jens Jö

Hallo Peter,

hast Du einen Oszillografen ? Falls ja, dann schau mal an Pin 1 des IC (- 15 V), ob diese Spannung ruhig ist oder pumpt.

Gruß
Alfred

JGR

Hallo Peter,

ich hätte auch den 10µF Elko an Pin1 in Verdacht.
Einfach mal austauschen oder einen zweiten parallel dazu.

Gruß
Jürgen

Peter V.

#7
Hallo!

Update

Dass es das noch gibt! Im Ruhrgebiet haben ich einen kleinen "Elektronikladen" gefunden, quasi einen Tante-Emma-Conard mit einer unglaublichen Fülle aller möglichen und unmöglichen elektronischen Bauteile in nicht enden wollenden Schublädchen an den Wänden, viele liegen dort vermutlich schon seit 1970 herum.... Da gibt es Sachen, die man sonst verzeifelt sucht. Die Öffnungszeiten sind exquisit, 2 oder 3 Stunden am Nachmittag, die Tür wird auf Klopfen hin geöffnet. Es gibt fast nichts, was es da nicht gibt, manchmal auch mit einer kleinen Staubschicht bedeckt. In einem Hinterzimmer werkelt - ein echter Anachronimsus im Jahr 2011 - an einem kleinen Tisch ein Elektroniker und repariert alles, was die Elektronik so hergibt ( und was sonst kein Mensch außerhlab von Entwicklungsländern  mehr repariert ). Ich habe dort vor Jahren mal ein bei Ebay ersteigertes Röhrenradio hingebracht und sie haben es geschafft, das Ding wieder zum Laufen zu bringen. Darauf besonnnen, habe ich mich in der Hoffnung, das der Laden noch exitiere, nun auch mit dem Trafo dorthin begeben. Es gibt ihn noch, und nun ist der Trafo geheilt!!!!! Wie mir die Inhaberin sagte, habe ihr Elektroniker ( erstaunt über die aufwändige Konstruktion des Netzteils ) ziemlich lange unter Pröbeln daran herumjustiert und getrimmt. Und nun läuft er wieder tadellos! Defekt war kein Bauteil. Kosten: 45 EUR mit ordentlicher Rechnung.
Da kann man doch wohl nicht meckern, oder?
Dank nochmal ausdrücklich an Leica und Bernd für die Überlassung der Schaltpläne.

Herzliche Grüße
Peter
Dieses Posting ist frei von kultureller Aneigung, vegan und wurde CO2-frei erstellt. Für 100 Posts lasse ich ein Gänseblümchen in Ecuador pflanzen.

ortholux

Gehört doch eigentlich in Florians "1000 places for the Mikroskopiker..."  ;)

'nacht
Wolfgang

Nomarski

#9
ZitatWie mir die Inhaberin sagte, habe ihr Elektroniker ( erstaunt über die aufwändige Konstruktion des Netzteils ) ziemlich lange unter Pröbeln daran herumjustiert und getrimmt. Und nun läuft er wieder tadellos! Defekt war kein Bauteil. Kosten: 45 EUR mit ordentlicher Rechnung.
Da kann man doch wohl nicht meckern, oder?

Das ist ja äußerst hochinteressant! Mehr habe ich daran nämlich auch nicht gemacht, da es nix kosten sollte. Die alten 10µF sind also noch dringeblieben. Na, dann warten wir mal, wie lange das vorhalten wird.
Die 5,90 fürs Zurückschicken überlasse ich dir für den Kaffee- und Kuchendienst bei Olafs Pol-Workshop, den du scheinbar abgenickt hast statt Crémant. ;D

Viele Grüße
Bernd

Wolfram Weisshuhn

Hallo Peter V.

wie schön, daß das Netzgerät 12 V 100 W wieder geht.

Aber ich möchte mal aufzeigen, was dahintersteckt: Die vorgezeigte Schaltung ist kein Regeltrafo, sondern ein elektronisches Netzgerät. Dieses Gerät wurde geschätzt um etwa 1965 gebaut. Es sollte bei Leitz versucht werden, den bekannten Regeltrafo der "REDIX"-Serie, der mit viel und teurem Kupfer aufgebaut war, durch eine billigere elektronische Lösung zu ersetzen. Diese echten Regeltrafos waren für die Ewigkeit gebaut, denn da konnte nichts kaputtgehen.

Irgendwann wurde dein Netzgerät nicht mehr verwendet und wurde in eine Abstellecke verbannt. Nach geschätzten 40 Jahren fällt dieses Gerät den Peter V. in die Hände. Er schaltet es ein und es zeigt Störungen. Das Gerät enthält u.a. einen Elektrolyt Kondensator (Elko) von 10 µF. Ein solcher Kondensator kann nur leben, wenn er möglichst permanent an Spannung betrieben wird. (Deswegen heißt er auch Elektrolyt Kondensator)

Nach dem Wiedereinschalten konnte sich der Elko formieren und konnte so wieder funktionieren. Bleibt das Gerät für längere Zeit (Jahre) ausgeschaltet, kann der Elko wieder ausfallen.

Andersherum der "Elektroniker" brauchte das Gerät nur einzuschalten und für längere Zeit (Stunden, Tage) eingeschaltet stehen zu lassen, um die Welt wieder in Ordnung zu bringen.

Man kann daher nur den Rat geben, das Gerät ab und zu einzuschalten. Die Frage ist, wozu braucht man noch derzeit solche Netzgeräte?

Ich habe in einem früheren Beitrag geschrieben:
"Da ich in der Zwischenzeit o.g. Kugellampen 6V 5 W durch geometrisch nachgebildete Drehkörper mit LEDs mit Ansteuerung ersetzt habe, haben für mich meine 2 REDYX Trafos an Bedeutung/Wertigkeit verloren. Man kann sie nur noch in die Vitrine zu den gleichaltrigen Mikroskopen stellen. (das sind dann Nostalgie REDYX Geräte) Und so die Vitrine beleuchten."

Damit gedient zu haben hoffend

mit freundlichen Grüßen

Wolfram Weisshuhn

Lothar Gutjahr

Hallo lieber Herr Weißhuhn,

das klingt zwar plausibel. Ich hatte mich entgegen der Hinweise auf den Elko  auf den Pfad des Potis und somit der Trimmer eingeschossen und dies sah ich mit den beschriebenen zeitraubenden Justierarbeiten eigentlich auch bestätigt.
Eine kratzende, unterbrechende und somit störende Widerstandsschicht wird meist nach mehrfachem betätigen wieder besser. Erst recht, wenn ein Kontaktspray zum Einsatz kommt. Das ist neben nichtleitend gewodenen 31 poligen Stiftleisten der Firma Siemens eine der häufigsten Fehlerursache bei meiner ebay-Beute über die letzten 10 Jahre.
Sie mögen ja recht haben mit ihrer Vermutung. Aber diese anderen typischen "Elektronikschrottprobleme" wollte ich auch etwas erwähnt wissen.

Einen schönen Abend wünscht Ihnen

Lothar Gutjahr

(vor rein garnichts zurückschreckender bastelnder Rentner) ;D ;D ;D






Wolfram Weisshuhn

Hallo lieber Herr Gutjahr,

das Problem dieser Abhandlung ist eigentlich nicht ein fehlerhaftes Gerät, auch nicht die Methodik der Fehlerursachenermittlung, auch nicht die Empfehlung von Kontakt-Spray, was eigentlich in kommerziellen elektronischen Schaltungen überhaupt nichts zu suchen hat, auch nicht nichtleitend gewordene 31 polige DIN Stiftleisten der Fa Siemens, die übrigens in kommerzieller Industie Elektronik einwandfrei funktionieren, weil hier mit vergoldeten Kontakten gearbeitet wird. Ich kenne auch keine Elektronikschrottprobleme, das ist etwas für die Jubel Elektronik, aber nicht für enstgemeinte hochwertige Mikroskoptechnik und deren Zubehör.
Das Problem ist einfach schlicht und ergreifend: Brauchen wir heutzutage noch diese Netzgeräte (mit Wechselspannungs Ausgang 12 V und 60 W), wo doch die ganze mikroskopische Anwender Fachwelt dem Trend der Weiterentwicklung gefolgt ist und dediziert und erfolgreich geeignete (auch dimmbare) LED´s einsetzt ? Was man in diesem Forum auch nachlesen kann.

mit freundlichen Grüßen

Wolfram Weisshuhn

Lothar Gutjahr

#13
Guten Abend lieber Herr Weisshuhn,

zunächst ein herzliches "sorry about", daß ich ihren Namen verhunzt habe. Sie haben natürlich recht. Ich betreibe selbst unzählige LED´s in meinem Haushalt.
Aber auf Peter´s Hilferuf fühlte ich mich befleißigt etwas naheliegendes zu schreiben.Siehe unten:

ZitatGuten Morgen Peter,

das ist eine Triac - Steuerung.die Lampe wird mit Wechselspannung betrieben.( könnte man als elektronische Nachbildung eines mechanischen Regeltrafos bezeichnen) Der IC ist ein Phasensteuerbaustein, der nicht mehr produziert wird. Der vermutete Fehler dürfte aber im Pfad des Poti R1 zu suchen sein.

Will aber Werner nicht vorgreifen.

Es ging also hier um "erste Hilfe" und nicht um die Philosophie der LED-Anwendung. Dieser naheliegende Gedanke so ein Netzteil in Frage zu stellen kam erst in den Folgebeiträgen auf.

Meine Bastlergepflogenheiten sollten sie aber nicht beunruhigen. Früher in meinem Beruf als Entwickler habe ich auch nur vergoldete Steckerleisten eingesetzt. Unabhängig davon findet man immer wieder mal die eine oder andere versilberte, violett angelaufene Steckverbindung in einem teuren Gerät was als defekt in ebay landete und für weniger als das Porto in meiner griechischen Bastelbude landete. Zwei drei mal ziehen und wieder stecken wirkte oft Wunder. Aber was erzähle ich das, das ist für Sie allerunterste Ebene. Übrigens für einen 6 kW Regeltrafo habe ich mir vor Kurzem in Dresden neue Kohlen drehen lassen um ihn nicht verschrotten zu müssen. Hat also auch seine Schwachstelle, die man mit einem hohen Einschaltstrom in Rauch aufgehen lassen kann, wenn abgenutzt.
Entschuldigen Sie bitte, daß ich ihren Beitrag so flapsig erwiedert habe. Ich bin noch neu hier im Forum und kenne mich  hier mit den Gepflogenheiten noch nicht so aus.

Mit freundlichen Grüßen

Lothar Gutjahr



Peter V.

#14
Hallo, liebe Elektronikfreaks,

also, der Trafo funktioniert heute weiterhin tadellos. Das Problem war ja jeweils nach ein paar Minuten "Warmlaufen" beseitigt, trat aber am nächsten Tag immer wieder neu auf, auch, wenn ich ihn den ganzen Tag habe laufen lassen. Ich habe ihn daraufhin in die Werkstatt gegeben und nun läuft er durchgehend tadellos. Wie sie es hinbekommen haben, ist mir relativ gleichgültig, aber allein durch reines Laufenlassen? Das kann ich mir eigentlich nicht so recht vorstellen. Ob sie ihn tatsächlich abgestimmt/getrimmt, einfach laufen lassen oder nur  besprochen oder mit Weihwasser beträufelt haben - egal. Wer heilt, hat in diesem Falle recht  ;D Auf jeden Fall wird er nun ja wieder häufiger eingeschaltet.

Nun, wozu braucht man noch solche Trafos? Ganz einfach! Weil LED zwar zunehmend verbreitet, aber - wie auch von Herrn Jülich mehrfach angeführt - im Bereich der professionellen Mikroskopie noch keineswegs State of the Art ist! Der weit überwiegende Teil an Forschungmirkoskopen und Mikroskopen für Pathoologen wird mit Halogen ausgeliefert - nach wie vor! Das wird seinen Grund haben. Ich perösnlich mag blaugefiltertes Halogenlicht auch lieber als LED. Zudme habe ich ja nicht nur ein Mikroskop  ;) Ich kann nicht für all meine Mikroskope eine eigene LED-Lösung basteln (lassen), und da, wo vernünftiges Halogenlicht ist, bleibt es auch. Ausnahme: Dort, wo noch Glühlampen werkeln ( z.B. am Orthoplan, an dem ich sogar einen LED-Einsatz, von Ihnen, Herr Weisshuhn, verwende ).

@Bernd: O.k., dann muss ich mir wohl auf Olafs Workshop das Spitzenschürzchen umbinden und den Kaffee servieren. Aber draußen nur Kännchen.

Herzliche Grüße
Peter
Dieses Posting ist frei von kultureller Aneigung, vegan und wurde CO2-frei erstellt. Für 100 Posts lasse ich ein Gänseblümchen in Ecuador pflanzen.