Wie nackt ist nackt? Die Nacktamöbe Korotnevella im LM und im REM

Begonnen von Eckhard, März 14, 2014, 23:50:17 NACHMITTAGS

Vorheriges Thema - Nächstes Thema

Eckhard

Liebes Forum,

eine interessante Familie der Nacktamöben sind die Paramoebidae Poche 1913. In dieser Familie sind Amöben zusammengefasst, die Dactylopodien bilden, einem Finger ähnliche Pseudopodien. Die Familie ist polyphyletisch, es gibt keine direkte Verwandtschaft zwischen den drei Gattungen dieser Familie.

Die Gattung Paramoeba Schaudinn 1896 ist bisher nicht im Süsswasser nachgewiesen worden. Sie hat ihren Namen nach einem speziellen Organell, dem Parasom, das eigene DNA enthält und teilungsfähig ist. Wahrscheinlich ist das Parasom das Überbleibsel eines Endosymbionten. Paramoeba Arten haben neben ihrem Kern ein oder mehrere Parasome (dass der Kern sozusagen als "Paar" vorliegt, hat der Familie ihren Namen gegeben). Paramoeben sind als Parasiten von Krustentieren (Hummer etc.) gefürchtet.

Die Gattung Majorella Schaeffer 1926 enthält alle Arten, die kein Parasom haben und von einer etwa 200 nm dicken, Kutikula genannten, faserigen Schicht aus einzelnen trichterförmigen Elementen bedeckt sind (Page, 1991).

Die Gattung Korotnevella Goodkov 1988 enthält Amöben, die kein Parasom haben und mit komplizierten, Schiffchen ähnlichen Schuppen bedeckt sind. Ursprünglich war die Gattung als Dactylamoba Korotneff 1880 bekannt. Da alle drei Gattungen der Familie Dactylopodien bilden können, hat Goodkov vorgeschlagen, die Gattung nach dem Entdecker Korotnevella zu nennen und diese Umbenennung setzt sich anscheinend durch.

Alle bisher entdeckten Arten der Familie Paramoebidae Poche 1913 sind einkernig und bilden keine Zysten.

Hier erstmal ein paar Phasenkontrast Aufnahmen einer Korotnevella sp. Amöbe.


Korotnevella sp.

Das Plasma der Amöbe enthält viele kleine Einschlüsse (Granula), weisse Flecken (Lipide) und den Kern mit einem zentralen Nukleolus.


Korotnevella sp.

Mir fiel hier die, im Vergleich mit anderen Amöben, recht schnelle Bewegung der Einschlüsse auf. Die Einschlüsse sind vollkommen ungeordnet.


Korotnevella sp.

Dieses ist die selbe Amöbe wie im vorigen Bild. Hier sieht man, vor allem in der rechten Hälfte der Amöbe, eine Art Waben Struktur, um die sich die Einschlüsse jetzt bewegen.

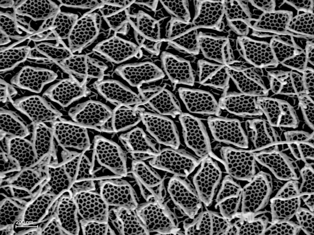
Hier nun zwei REM Aufnahmen, die die Gestalt der Amöbe zeigen:





Wie man sieht, Nacktamöben sind nicht immer nackt ;) Während bei Cochliopodium Herwig und Lesser 1874 die auch aus Schuppen bestehende Schale nur dorsal aufliegt, ist Korotnevella ganz von Schuppen bedeckt.



Die Schuppen erinnern tatsächlich an kleine Schiffchen. Auf diesem Bild kann man Schuppen von oben und von der Seite sehen. Die Schiffchen haben anscheinend eine Art Antenne.



Der Versuch der Bestimmung auf die Art scheitert, die bisher beschriebenen Korotnevella Arten haben Schiffchen von 500-700 nm Grösse und diese hier sind nur halb so gross. Dies ist ein schönes Beispiel wie sich Lichtmikroskopie und Rasterelektronenmikroskopie ergänzen. Mit dem Lichtmikroskop, speziell mit DIK und Phasenkontrast kann man in den Einzeller "hineingucken". Mit dem Rasterelektronenmikroskop kann man die Oberflächendetails und die Gestalt sehen.  

Herzliche Grüsse
Eckhard
Zeiss Axioscope.A1 (HF, DF, DIK, Ph, Pol, Epifluoreszenz)
Nikon SE2000U (HF, DIK, Ph)
Olympus SZX 12 (HF, DF, Pol)
Zeiss Sigma (ETSE, InLens SE)

www.wunderkanone.de
www.penard.de
www.flickr.com/wunderkanone

beamish

Hallo Eckhard,

als völliger Ignorant von Amöben bin ich jetzt völlig platt! Das waren für mich bis jetzt zwar spannende, fast unheimliche Wesen mit einer schleimigen Struktur. Deine REM-Aufnahmen zeigen mir aber das Gegenteil: eine phantastische feingeordnete Architektur, die gleichzeitig die Wandlungsfähigkeit der äußeren Form ermöglicht.
Vielen Dank für diese Bilder!

Herzlich
Martin
Zeiss RA mit Trinotubus 0/100
No-Name China-Stereomikroskop mit Trinotubus
beide mit Canon EOS 500D

HDD

Lieber Eckhard

Mir geht es genau so wie Martin.Amöben sind für mich irgendwie etwas Unfaßbares, das durch Deine wunderschönen Aufnahmen nun von mir in einem anderen Licht gesehen wird. :D
Danke für diese tollen Bilder!

Viele Grüße

Horst-Dieter

Fahrenheit

Lieber Eckhard,

das sind faszinierende Aufnahmen! Vielen Dank fürs Zeigen.

Herzliche Grüße
Jörg
Hier geht's zur Vorstellung: Klick !
Und hier zur Webseite des MKB: Klick !

Arbeitsmikroskop: Leica DMLS
Zum Mitnehmen: Leitz SM
Für draussen: Leitz HM

Heino Lauer

Hallo Eckhard,

seit meiner Jugend kenne ich Amöben, so wie sie im Lichtmikroskop eben aussehen. Und nun dieser Anblick! Ich bin tief beeindruckt. Kommt den "Antennen" auf den Schuppen eine Funktion zu?

Danke für diese wertvolle Darstellung.

Herzlicher Gruß

Heino

Bernd Kaufmann

Lieber Eckhard,

begeisternde Aufnahmen, die einmal mehr zeigen, wie wenig wir (bisher) von den allerkleinsten Lebewesen wissen. Vielen Dank dafür, dass Du uns an dieser fantastischen Welt teilhaben lässt!
Viele Grüße
Bernd ©¿©
www.aquamax.de
Lieber per Du.

the_playstation

Vielen, vielen Dank Eckhard.
Ich finde Amöen sehr faszinierend. Aber mit einem derartigen Aufbau hätte Ich nicht gerechnet.
Vielen Dank für die unglaublichen Aufnahmen.

Liebe Grüße Jorrit.
Die Realität wird bestimmt durch den Betrachter.

JB

Hallo Eckhard,

Wirklich tolle Bilder und eine gelungene Gegenueberstellung von LM und EM.

Zitat von: Eckhard in März 14, 2014, 23:50:17 NACHMITTAGS
Ursprünglich war die Gattung als Dactylamoba Korotneff 1880 bekannt. Da alle drei Gattungen der Familie Dactylopodien bilden können, hat Goodkov vorgeschlagen, die Gattung nach dem Entdecker Korotnevella zu nennen und diese Umbenennung setzt sich anscheinend durch.

... das konnte ich erst einmal nicht fassen. Und tatseachlich gab es diese Umbenennung nicht; es wurde lediglich die Typusart in Dactylamoba belassen und die neuen Arten wurden in die neue Gattung Korotnevella gestellt, bis die Typusart wiederbeschrieben und die Beziehung zwischen ihr und Mayorella geklaert ist. Das scheint mir eine vernuenftige Loesung.

Zitat:
"Goodkov (1988), followed by Smirnov (1996–97, 1999), argued that the characteristics of D. elongata cannot be accurately assessed on the basis of the data presented by Korotnev (1880), and that no additional taxa should be added to this genus until the type species is rediscovered and examined with modern methods. Goodkov (1988) proposed Korotnevella for scaly Mayorella-like species, leaving Dactylamoeba monotypic and incertae sedis.

The approach of Goodkov (1988) is the sounder because it does not require divination of the diagnostic features of D. elongata. Should D. elongata be rediscovered and prove to be a scaly species, then, barring conservation, Dactylamoeba would be correctly applied to species now known as Korotnevella (or. to some of them; see the next section), and Korotnevella would disappear. Should D. elongata be a cuticulate species, then Dactylamoeba would disappear (Mayorella being conserved against it) and Korotnevella would be correctly applied to scaly species."

O'KELLY, C. J., PEGLAR, M. T., BLACK, M. N. D., SAWYER, T. K. and NERAD, T. A. (2001), Korotnevella hemistylolepis N. Sp. and Korotnevella monacantholepis N. Sp. (Paramoebidae), Two New Scale-covered Mesohaline Amoebae. Journal of Eukaryotic Microbiology, 48: 655–662.
http://onlinelibrary.wiley.com/doi/10.1111/j.1550-7408.2001.tb00205.x/full

Eckhard

Hallo,

vielen Dank für die lobenden Worte.

@JB: Ich wollte den taxonomischen Teil nicht so lang machen und habe mir von Smirnov die Umbenennung "geliehen". 

ZitatThe genus Korotnevella (Schaeffer, 1926) Goodkov, 1988, formerly known as "Dactylamoeba Korotneff, 1880" (Page, 1982; 1988; 1991) and renamed in 1988 (Goodkov, 1988; Smirnov, 1996), includes scale-bearing gymnamoebae without a parasome (Smirnov, 1999).
http://protistology.ifmo.ru/num1_1/smirnov2.pdf

Im Jahr 1988, in dem die Arbeit von Goodkov erschien (leider nur auf Russisch und mir nicht vorliegend) hat auch Page seinen "New Key to Freshwater und Soil Gymnaboeba" veröffentlicht. Darin hat er zwei in der Gattung Mayorella eingeordnete Amöben (Majorella stella (Schaeffer, 1926) Page 1982 und Majorella bulla Schaeffer 1926 der Gattung Dactylamoeba zugeordnet, so dass diese jetzt als Dactylamoeba stella (Schaeffer, 1926) Page 1988 und Dactylamoeba bulla (Schaeffer, 1926) Page 1988 bekannt waren. Zu Dactylamoeba elongata Korotneff 1880 schreibt Page, dass die Typusart anhand der Beschreibung von Korotneff nicht identifizierbar ist, es sich aber um eine grosse D. stella handeln könnte.

Es ist gut möglich, dass beide Arbeiten parallel erschienen sind - Page zumindest gibt Goodkov nicht in der Literaturliste an. Selbst 1990 nutzt Page noch den Gattungsnamen Dactylamoeba (Page, 1991). Auch die Definition der Gattung, "scale bearing amoeba with dactylopodia and without parasome" ist identisch.   

Die derzeit übliche Schreibweise für diese Arten ist Korotnevella stella (Schaeffer 1926) Goodkov 1988 und Korotnevella bulla (Schaeffer 1926) Goodkov 1988 (Smirnov, 2009).

Herzliche Grüsse
Eckhard
Zeiss Axioscope.A1 (HF, DF, DIK, Ph, Pol, Epifluoreszenz)
Nikon SE2000U (HF, DIK, Ph)
Olympus SZX 12 (HF, DF, Pol)
Zeiss Sigma (ETSE, InLens SE)

www.wunderkanone.de
www.penard.de
www.flickr.com/wunderkanone


JB

Zitat von: Eckhard in März 15, 2014, 17:07:08 NACHMITTAGS
Zu Dactylamoeba elongata Korotneff 1880 schreibt Page, dass die Typusart anhand der Beschreibung von Korotneff nicht identifizierbar ist, es sich aber um eine grosse D. stella handeln könnte.

Es ist gut möglich, dass beide Arbeiten parallel erschienen sind - Page zumindest gibt Goodkov nicht in der Literaturliste an. Selbst 1990 nutzt Page noch den Gattungsnamen Dactylamoeba (Page, 1991). Auch die Definition der Gattung, "scale bearing amoeba with dactylopodia and without parasome" ist identisch.   

Hallo Eckhard,

Da liegt wohl das Problem. Waehrend Page meint, dass es sich um eine grosse D. stella handeln könnte, meint Goodkov, dass die Art erst wiederbeschrieben werden muss, bevor die Gattung moeglicherweise aufgeloest wird.

Die Spurensuche in fruehen Beschreibungen von merkmalsarmen Protozoen aus dem 19. Jhd. ist immer ein Problem, wenn es um solche Zweifelfaelle handelt  ;D

Lassen Sie mich wissen, wenn Sie die O'Kelly PDF noch nicht haben!

Beste Gruesse,

Jon

Martin Kreutz

Hallo Eckard,

wirklich unglaubliche Bilder und ein super Beitrag! Ich selbst sehe Korotnevella häufig, hätte aber nie vermutet, dass die Art "beschuppt" ist. Man fragt sich auch, welchen Sinn diese Schuppen haben. Ist es ein Tarnmechanismus, um von Fressfeinden nicht "geschmeckt" zu werden? Auch einige Ciliaten tragen ein Schuppenkleid (z.B. Trachelophyllum sigmoides), aber der Zweck ist meines Wissens unbekannt.

Schönen Abend!

Martin

Michael Plewka

hallo Eckhard,

eine spannende Entdeckung, eine sehr schöne Dokumentation, und die REM-Bilder sind wirklich fantastisch; da kann ich mich meinen Vorrednern nur anschließen. Das letze Bild wirkt für meine Wahrnehmung übrigens besser, wenn es um 180 Grad gedreht wird (,,Lichteinfall").

Natürlich kommt, quasi reflexartig, die Frage nach der Funktion auf.  Aber es gibt noch mehr Fragen.
1. Hast du schon Hinweise darauf, wie die Schuppen ,,befestigt" sind. (ich nehme mal an, sie sind dictyosomalen Ursprungs). Liegen sie der Zellmembran auf?
2. was passiert mit den Schuppen, wenn das Viech frisst? Werden die Schuppen phagocytiert? Oder entsteht zuvor ein schuppenfreier Bereich, durch den die Nahrung aufgenommen wird?
3. Spontan kam mir bei den  Schuppen die Assoziation an Reifen- oder Schuhsohlen. Wahrscheinlich ist eine  Denkweise in mechanischen Parametern wie z.B. Reibung/ Adhäsion beim Kriechen oder Festhalten von Beute hier völlig unangemessen, aber auf jeden Fall wird auf diese Weise eine besondere Form des Kontakts mit der Umwelt hervorgerufen.
Da kann man auf weitere Ergebnisse gespannt sein.......

beste Grüße Michael Plewka

Eckhard

Hallo in die Runde,

Jon, danke für das nette Angebot, aber ich habe das Paper schon.

ZitatDie Spurensuche in fruehen Beschreibungen von merkmalsarmen Protozoen aus dem 19. Jhd. ist immer ein Problem, wenn es um solche Zweifelfaelle handelt
Das ist allerdings ein grosses Problem und sehr schade. Viele dieser alten Beschreibungen werden nie einer eindeutig lichtmikroskopisch, elektronenmikroskopisch und genetisch beschriebenen Art zuzuordnen sein. Man kommt dann auch zu der Frage, was ist eigentlich eine Art? Bei vielen, sich nur vegetativ vermehrenden Amöben, ist die Definition einer Art häufig eine willkürliche Feststellung. Ab welchem Unterschied im Genom oder in der Gestalt werden Arten getrennt? Ist es eine Art oder sind es mehrere, die sich eben nur lichtmikroskopisch nicht unterscheiden lassen? Und bringt es etwas, diese dann als neue Arten zu beschreiben?

Zu den Fragen von Martin und Michael:

Über die Funktion der Schuppen kann man nur spekulieren. Ich bin schon ein Weilchen dabei, Cochliopodium Schuppen zu untersuchen. Es gibt Schuppentypen, deren Konstruktionsform dazu geeignet ist, Druck von oben aufzunehmen. Bei anderen Arten sind die Schuppen dazu nicht in der Lage.

Die nachfolgenden Bilder zeigen die Schuppen von Cochliopodium larifeili Kudryavtsev 1999. Die Schuppen sehen aus wie Würfel, die gerade eine 4 oben liegen haben. An der Unterseite ist eine Matrix (wie bei allen Cochliopodium Schuppen). Die Oberseite enthält 4 Löcher, die 4 Seitenwände sind nicht vorhanden. Diese Konstruktion gibt es jetzt würfelförmig mit 4 Seiten (und 4 Löchern an der Oberseite) und als Form mit 3 Seiten (und 3 Löchern).


Cochliopodium larifeili Kudryavtsev 1999


Cochliopodium larifeili Kudryavtsev 1999 Details der Schuppen

Hier ist die Beschreibung von Cochliopodium larifeili Kudryavtsev 1999 und auch eine Zeichnung der Schuppen http://protistology.ifmo.ru/num1_2/kudryavtsev1.pdf

Diese Schuppen bedecken Cochliopodium dorsal bei fast allen Arten ohne Lücken. Im aktuellen Mikrokosmos ist ein Artikel dazu, in dem auch der Bau der Schuppen erklärt wird. Cochliopodium hat ein grosses Dictyosom, das Vesikel abschnürt, in denen jeweils eine Schuppe "gebaut" wird. Die Schuppen sind aus Polysacchariden aufgebaut in denen Calcium eingelagert ist. Die Herstellung der Schuppen ist bei Korotnevella sicherlich identisch, wobei ich nicht weiss, ob auch hier Calcium eingelagert wird.

Die Korotnevella hat eine Glykokalix auf ihrem Plasmakörper, auf der die Schuppen zu kleben scheinen. Man kann diese Schuppen nicht sehen, ohne an ein Sieb zu denken. Bakterien, Pilzsporen, Schleim etc. werden wirksam abgehalten. Mir ist leider bisher noch keine Aufnahme der Korotnevella beim Fressen gelungen.

Hier ist noch eine weitere Detailaufnahme der Schuppen von Korotnevella auf der man sieht, wie sich die Schuppen um das Dactylopodium schmiegen.


Korotnevella sp.

Einen schönen Sonntag!

Herzliche Grüsse
Eckhard
Zeiss Axioscope.A1 (HF, DF, DIK, Ph, Pol, Epifluoreszenz)
Nikon SE2000U (HF, DIK, Ph)
Olympus SZX 12 (HF, DF, Pol)
Zeiss Sigma (ETSE, InLens SE)

www.wunderkanone.de
www.penard.de
www.flickr.com/wunderkanone

Rawfoto

Guten Abend Eckhard

Unglaublich was da so zu tage kommt ...

Liebe Gruesse

Gerhard

Gerhard
http://www.naturfoto-zimmert.at

Rückmeldung sind willkommen, ich bin jederzeit an Weiterentwicklung interessiert, Vorschläge zur Verbesserungen und Varianten meiner eingestellten Bilder sind daher keinerlei Problem für mich ...