Pol-Aufnahmen: Kristalle mit Objektiven 5x bis 40X

Begonnen von Gereon, November 06, 2020, 13:11:22 NACHMITTAGS

Vorheriges Thema - Nächstes Thema

Gereon

Hallo zusammen,

ich erinnere mich, dass in einem Beitrag nach der Ursache für Farbunterschiede bei Pol-Aufnahmen mit verschiedenen Vergrößerungen gefragt wurde. Leider finde ich den Beitrag nicht mehr. Ich habe aber daraufhin selbst mal ein paar Aufnahmen (von Harnstoffkristallen) mit polarisiertem Licht gemacht. Beleuchtung und Einstellungen sind für alle Aufnahmen gleich.
Fotografiert wurde mit einer EOS 450D, der Polarisator stammt ais meiner Fotografie-Filtersammlung und als Analysator kommt ein Stück Polfilterfolie zum Einsatz, als Verzögerungsfolie ein Stück Tesafilm unter dem Kondensor. Die verwendeten (Zeiss-) Objektive sind ein CP Achromat 5x/0,12 ꝏ, ein Plan Neofluar 10x/0,30 ꝏ, ein Plan Neofluar 20/0,50 ꝏ und ein Plan Neofluar 40x/0,75 ꝏ.

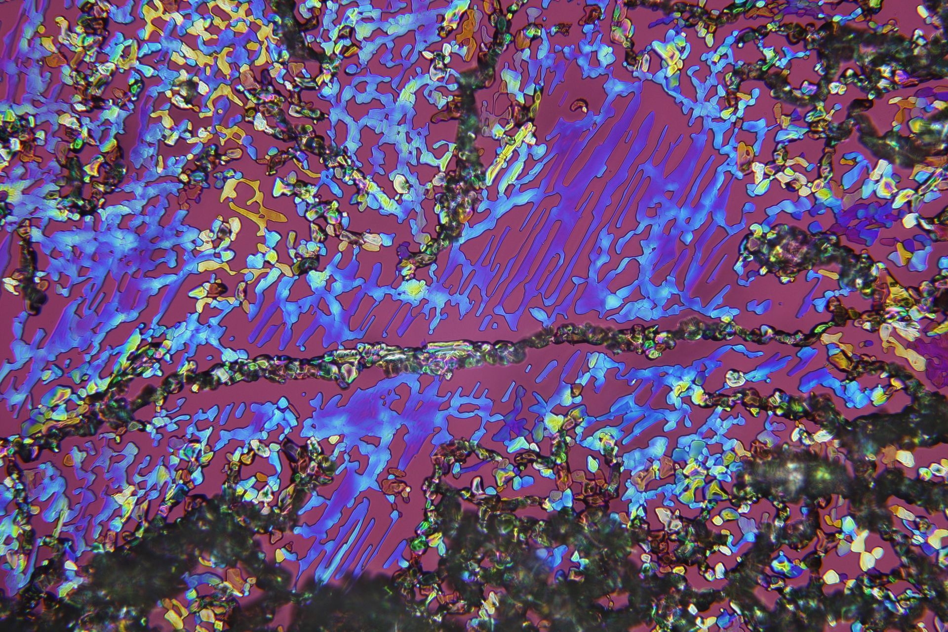
Hier nun die Aufnahmen:


Harnstoff Kristalle mit Objektiv 5x


Harnstoff Kristalle mit Objektiv 10x


Harnstoff Kristalle mit Objektiv 20x


Harnstoff Kristalle mit Objektiv 40x

Ich habe den Eindruck, dass die Farbunterschiede eher durch die unterschiedliche Helligkeit entstehen. Leider habe ich gerade keine ND-Filter zur Hand, um das zu überprüfen ohne sonstige Aufnahmeparameter zu verändern.

Mit freundlichen Grüßen

Gereon




jcs

Wie waren die Einstellungen an der Kamera für die Aufnahmen? Vor allem der Weißabgleich muss in allen Fällen identisch gewäht werden.

LG

Jürgen

reblaus

Vor allem keinen automatischen Weißabgleich einstellen!

Gruß
Rolf

Gereon

#3
Hallo Jürgen, hallo Rolf,

der Weißabgleich war für alle Aufnahmen auf manuell, 6000 Kelvin eingestellt, Belichtung automatisch, folgende Zeiten:

5x:       1/160 s
10x:     1/100 s
20x:     1/50 s
40x:     1/15 s

Ich werde demnächst Vergleichsaufnahmen mit manuell angepassten Belichtungszeiten machen. Am Weißabgleich kann es ja nicht liegen.

Gruß, Gereon

olaf.med

Hallo Gereon,

die Interferenzfarbe wird durch die Apertur stark beeinflusst.  Das mag auch der Grund für Deine Farbunterschiede sein. Teste das einmal mit einem stark vergrößernden Objektiv bei völlig geöffneter und dann stufenweise weiter geschlossenen Aperturblende.

Herzliche Grüße, Olaf
Gerne per Du!

Vorstellung: http://www.mikroskopie-forum.de/index.php?topic=4757.0

... und hier der Link zu meinen Beschreibungen historischer mineralogischer Apparaturen:
https://www.mikroskopie-forum.de/index.php?topic=34049.0