Gusseisen Gefügebilder Suche nach Antworten

Begonnen von Ina, Oktober 16, 2013, 10:15:00 VORMITTAG

Vorheriges Thema - Nächstes Thema

jibi

Hallo Ina,
darf ich mal einige Bemerkungen hierzu machen, habe in meiner frühen Berufszeit etliche Jahre Gefügebilder anfertigen und auswerten dürfen.
Wie schon einige Vorredner richtig sagten, kann man ein Gefüge erst nach gründlichen Planschleifen, Polieren und Anätzen das Gefüge unter
einem Auflichtmikroskop auswerten.
Zu deinem Brocken: der sieht mir nach einem Schmelzrest aus, der bei der Revision/Abriß von Schmelz-/Hochöfen anfällt. Heutzutage werden
diese Putzreste der Wiederverwertung zugeführt, aber bis in die 1970er Jahre landete das zumeist auf der Müllhalde (nicht in gewissen süd-
deutschen Gegenden  ;) ). Die Zusammensetzung ist meist kunterbunt von verschiedenen Legierungszuschlägen und Schlackeresten gekenn-
zeichnet. Und noch was: auch Nickel  ist leicht magnetisch.

Übrigens kann man auch makroskopisch ungefähr die Art der Legierung  ganz grob abschätzen.
Grau- und Temperguß: frischer Anschliff (gesäubert) schwärzt Papier beim Reiben
Normal-(Bau)-Stahl: beim Schleifen mit Korundscheibe fliegen sternförmige Funken davon, wie beim Kindersternenregen
C-armer Stahl/Reineisen: die Funken zeigen sehr wenig Sterne
Nichteisenmetalle zeigen meist keine oder sehr dunkelrote Funken.

Mit besten Grüßen
Jürgen


Ina

Hallo Jürgen,
danke, wieder ein Hinweis. Ich habe also gerade die Schlifffläche mit Papier abgerieben, kein schwarzes Abfärben. Die Dichte ist nur 3,75 und Guss hat ca. 7. Zuviel Graphit inside? Übrigens habe ich auch ein kleines Stück Grauguss, das ich auch bearbeitet habe. Es wurde tatsächlich beim Ätzversuch grau (ziemlich dunkel und enthält kein Nickel) stank beim Bearbeiten nach Metallverarbeitung, und färbt tatsächlich auf Papier schwarz ab. Ich bin immer dankbar für Hinweise.
Gruß
Ina

Bastian

Ina,
sag mal, das Stück aus der Du die Metallstücke herausgearbeitet hast, wie sah das denn aus?
War es dunkelgrau bis schwarz und glasig?
War das Material blasig? Oder war das nur Erde?
Hast du größere Poren im Metall entdeckt? Auf den Fotos sieht man ja keine.
Wenn auch sonst das ganze Ding keine Poren aufweist, bzw. schwammähnlich aussieht können wir Luppe schon mal ausschließen, denn Luppe ist ja nie flüssig gewesen, da diese aus dem Rennfeuerprozess stammt: Dort rinnt nur die Schlacke!

Hast Du noch den genauen Fundort im Kopf. Welches Harzvorland ist es denn? Nördlich? Südwestlich?... Mich würde es interessieren, da es rund um den Harz jede Menge archäologische Fundstätten gibt.

Bastian

Ina

Hallo Jürgen,
ich werde versuche alle Fragen zu beantworten. Nördliches Harzvorland. Zwischen Goslar (Erzabbau) und Salzgitter (Stahlbau). Das Stück lag am Ackerrand/Waldbeginn. Es ist nicht Schwammartig sondern kompakt. Es hatte auch löcher im Gestein (Schlacke) herausgerostete Eisenkugeln. Am Gestein ist kaum Magnetismus. Das Stück hat eine Schmelzkruste (Schlacke) mit Eisenkugeln durchsetzt, die Farbe ist etwqas heller als der Stein. Der Stein sieht aus wie Gabbro graublau (habe ich als Mineralkies unter unseren Plastersteinen). Es gibt im Stein noch kleine Poren, die sieht man aber auf dem Foto. Die anhaftende Erde hab ich gründlich abgewaschen.
Ich hoffe ich habe  nichts vergessen.
Gruß
Ina

Ina

Entschuldigung ich meine natürlich Bastian.
Im Eisen gibt es nur Rost, keine Löcher.
Ina

Ina

Guten Morgen,
es hat mir keine Ruhe gelassen. Ich habe jetzt noch mal die Dichtebestimmung bei den Eisenteilen  (ohne (bzw. Mini-) Stein-Masse) durchgeführt. Es ergibt einen Wert von 5,68 kommt jetzt dem Gusseisen doch näher.
Gruß
Ina





PS.: Wohin mit den Proben? Hallo Klaus bist du noch da? (Adresse?)

Klaus Herrmann

Guten Morgen Ina,

ZitatHallo Klaus bist du noch da? (Adresse?)
Antworten: ja; ja  ;)
Mit herzlichen Mikrogrüßen

Klaus


ich ziehe das freundschaftliche "Du" vor! ∞ λ ¼


Vorstellung: hier klicken

Ina

Hallo Klaus,

nun sind sie unterwegs, ich war gerade bei der Post. Einmal das Stück vom ersten Bild und ein anderes ( Eisen geschliffen und versucht zu ätzen).
Nun muss ich wahrscheinlich etwas Geduld haben. Bin gespannt auf deine Erkenntnisse.
Stahl? Guss? Was ist es?,
Gruß
Ina



Ps.:  Ich würde gern dein Gesicht sehen wenn die Strukturen sichtbar werden. Ich habe glaube ich ganz schön blöd geschaut, ich habe ja auch von dieser Materie keine Ahnung.

Klaus Herrmann

#23
Hallo Ina,

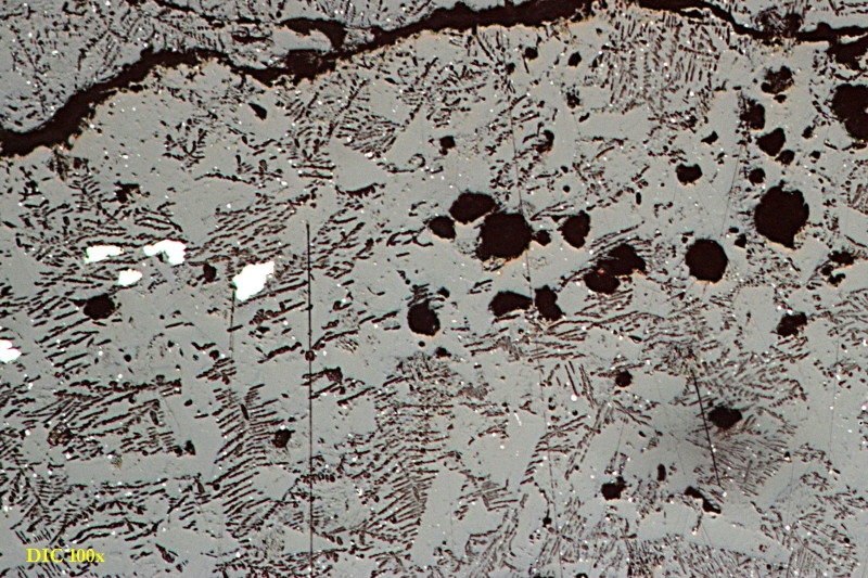
hat es was gedauert; die beiden Brocken sind ganz schön zäh zum Sägen. Solche Metallstücke wurden bei uns im Labor nie mit der Diamantsäge, sondern mit einen Corund-Sinterblatt gesägt. Die habe ich aber abgeschafft, weil ich kaum rein metallischen Proben habe.

Dann gings los mit dem Schleifen 180; 400; 600; 1200: 2500; und 4000er Körnung. Im Metallographielabor macht das der Automat! ;)
Man sieht, die Schliffe sind noch nicht da, wo sie sein müssen, aber man sieht wenigstens mal grobe Strukturen. Geätzt habe ich nocht nicht, weil ich nicht sicher bin, ob das bei der Qualität sinnvoll ist.

Aber vielleicht können die paar Metallographen doch schon eine Aussage machen. Die Überschrift ist immer noch zutreffend! ;)

Ich habe die Kontrastiermethode angegeben und hinter der Zahl verbirgt sich das Auflichtobjektiv. Gleiche Zahl ist auch gleiche Vergrößerung.
Nur die zwei Aufnahmen am Beginn sind am Stemi gemacht. Ich habe noch einige mehr, aber das soll erst mal genügen.









Mit herzlichen Mikrogrüßen

Klaus


ich ziehe das freundschaftliche "Du" vor! ∞ λ ¼


Vorstellung: hier klicken

moräne

#24
Hallo

Hab mal auf die Schnelle abgezeichnet..... ( nerv.: wir können Ihnen leider nicht sagen wer die aktuellen Vermarktungsrechte besitzt - für dieses ehemalige literarische " Volkseigentum "
Sieht man Ähnlichkeiten ?
Könnte man aus denen auf eine Phase schließen?


Na dann
Gerd

JüSchTü

Hallo zusammen,

meinem soliden ⅛-Wissen, wenn überhaupt, und meinem einzigen Werkstoffkundebuch nach ("Domke"), könnte das, unter allem Vorbehalt, und ich bin hier jeglicher Kritik gerne zugänglich, eventuell so etwas wie Ledeburit sein. Ich habe hier ein paar Schliffbilder von "weißem Gußeisen" gefunden und da gibt's schon eine gewisse Ähnlichkeit. Die von Klaus gefertigten Schliffe könnte man jeweils eventuell untereutektischem, eutektischem und übereutektischem weißem Gußeisen zuordnen. Der ganze Brocken wäre dann ziemlich inhomogen.

Die Zeichnung von Gerd würde auch ins Bild passen und entspräche untereutektischem Gefüge.

Jetzt hör ich damit aber ganz schnell wieder auf. Ich hab da wirklich zu wenig Ahnung und alles ist so lange her...

Liebe Grüße, Jürgen
I'm not facebooked
"Die Zukunft rast auf einen zu. Man hat nur den einen winzigen Moment, wenn sie vorüberzieht, um sie in eine freundliche, erkennbare, angenehme Vergangenheit zu verwandeln."   (Ray Bradbury)
Zur Vorstellung

Peter Kerwien

Hallo Ina,

eventuell könnte das Geologische Institut der Uni Göttingen (ist ja nicht so weit weg von dir.) auch noch weiter helfen. Hier gibt es eine regelmäßige Fundberatung. http://www.geomuseum.uni-goettingen.de/museum/service/fundberatung/index.shtml

Viele Grüße
Peter
Peter Kerwien

gern per "Du"
http://www.zauberhafte-natur.de

Klaus Herrmann

Danke Jürgen,

das ist doch schon mal ein Ansatz! Wenn man sich nie aus dem Fenster lehnt, dann kann man nicht runter fallen, aber der Horizont bleibt auch beschränkt!  ;)

Völlig inhomogen kann ich absolut bestätigen!

# Gerd danke für deine künstlerische Umsetzung, das sieht aus , als hättest du selbst durchgeschaut!
Mit herzlichen Mikrogrüßen

Klaus


ich ziehe das freundschaftliche "Du" vor! ∞ λ ¼


Vorstellung: hier klicken

jibi

Hallo Gefügegucker,
der Anschliff von Klaus bestätigt vermutlich meine o.g. Deutung. Mir scheint es ein Gemisch von Zunder, Schlacke, Stahl und Guß zu sein.
Allerdings wäre ein gut polierter Schliff mit leichter Ätzung notwendig, um ein wirkliches Urteil abzugeben.
Bei der Mischung wäre es ein kleines Meisterstück, ein gutes Schliffbild hinzukriegen, ich empfehle eine Vakuum-Einbettung.
Aber Klaus hat ja Zeit als Rentner. ;D

Mit besten Grüßen
Jürgen

moräne

#29
Hallo wieder

Klaus das Zeichnen ging sehr schnell:
Einfach Pauspapier über Bild 16 aus Klemm´s Gefüge des Eisen - Kohlenstoffsystems gelegt, und innerhalb von Minuten war das fertig.
Nach dem Buch  ist Ledeburit ein Eutektikum von Perlit und Zementit und Eutektika sehen wohl so " lamellar " aus.
Jedenfalls haben die meisten anderen im Buch enthaltenen, verschiedenen Phasen anderes Aussehen.
Was gibt es da : Ferrit ist wabenförmig und auch  streifig abgebildet,
Perlit , Zementit bilden den Ledeburit,
dann ist da Austenit laminar, aber eher regelmäßig streifig
Steadit wäre sehr ähnlich, es ist ja auch ein Eutektikum von mit Phosphor
Martensit ist spitzig oder nadelig,
Graphit könnte dem untersten Bild entsprechen, indem es so feine Nadeln bildet, welche aber eher wirr und nicht so  dendritisch sind wie auf dem Bild
Dann hat Klemm noch ein Bainit genanntes Zwischenstufengefüge, welches auch  ein bischen " eutektisch" aussieht.
Die Metallographen werden und sicher noch Links zu wunderbaren Bilder zur Verfügung stellen,
wahrsage ich mal

Zum Schluß, ich werde mich täuschen, tippe ich auf Zinkblende (Sphalerit), für die honigfarbenen Teile des Rands.

Grüße
Gerd