GEOLOGIE: Ästhetik der Erzmikroskopie

Begonnen von Holger Adelmann, Januar 16, 2015, 23:04:30 NACHMITTAGS

Vorheriges Thema - Nächstes Thema

Holger Adelmann

Liebe Kollegen,

ich bearbeite derzeit die Erzparagenesen des Siegerland-Wieder Spateisensteinbezirks mittels Auflicht-Mikroskopie ("Erzmikroskopie") und Elektronenstrahl-Mikrosonde für die Geologiezeitschrift "Der Aufschluss".
Untersuchungen hierzu liegen bisher nur in Fragmenten vor (wenige Dissertationen), die jeweils nur Teilbereiche der vielfältigen Vererzungen in diesem bedeutenden, ehemaligen Montangebiet beleuchten.
Mein Anspruch ist nun eine umfassende Bearbeitung.
Diese Arbeit ist auch der Grund, daß ich im Forum im Moment wenig aktiv bin.

Es ergeben sich bei dieser Arbeit mit der Zeit einige Bilder, die allein schon von ihrer Ästhetik her wert sind hier gezeigt zu werden.
Vielleicht kommt ja der eine oder andere hier im Forum auch auf den Geschmack, die schöne Feldarbeit (das Auffinden und Schürfen auf teils uralten Bergwerks-Halden) mit dem Hobby
(Auflicht-)Mikroskopie zu verbinden.
Bitte erwartet in diesem Posting keine wissenschaftlichen Erläuterungen (die gibt's im "Aufschluss"), sondern einfach ein paar Bilder von wie ich meine recht eindrucksvollen Verwachsungen der Erzminerale.

Alle Aufnahmen an einem Leitz Orthoplan mit unendlich-Auflicht-Optik.

Viel Spass beim Anschauen, wer auf den Geschmack gekommen ist kann sich gerne mit mir in Verbindung setzen, allerdings erst nach Aschermittwoch bitte.

Met dremol Kölle Alaaf!!
Holger

01 Verwachsungen des anisotropen Nickelsulfids Millerit


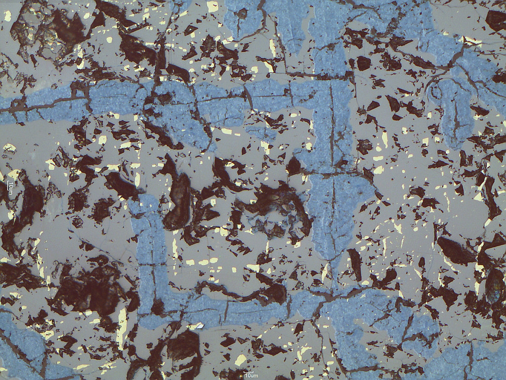
02 Die Eisensulfide Pyrit (creme) und Markasit (grau). Der Pyrit zeigt dunklere, geometrische Wachstumszonen mit höherem Ni & Co Gehalt ("Bravoit")


03 Blaue Kupferglanze mit typischer Jägerzaun-Textur, daneben rotbrauner Bornit


04 Sogenannte myrmekitische Verwachsung aus blauen Kupferglanzen mit rotbraunem Bornit


05 Kristallgitter-orientierte Entmischungen von hellgelbem Millerit in einem idiomorphen Siegenit-Kristall. Alles ist von grauem Fahlerz umflossen, daneben stumpfgelber Kupferkies (Ölimmersion)


06 konzentrischer, hier zementativ in Lücken gebildeter Bravoit (Ni-Co-Pyrit)


07 Nadeliger Antimonit in Quarz


08 Bournonit mit multipler Zwillingsbildung


09 Nochmals eine myrmekitische Verwachsung aus blauen Kupferglanzen mit rotbraunem Bornit


10 Idiomorphe Arsenkies(Arsenopyrit)-Kristalle in Quarzmatrix mit etwas Zinkblende


11 Covellin (blau) als Spaltenkorrosion in grauer Zinkblende. In der Zinkblende gelbe Kupferkies-Tröpfchen


12 Blauer Covellin als Korrosion in gelbem Kupferkies


13 Noch nicht identifizierte Kristalle in Goethit-Hohlräumen


14 Stängeliger, grüner Malachit in radialstrahligem Goethit (FeOOH), daneben rechts ein Cuprit(CuO)-Kristall mit roten Innenreflexen


15 Nochmals radialstrahliger Goethit (FeOOH), darin ein Cuprit(CuO)-Kristall (mit roten Innenreflexen), der teilweise schon zu grünem Malachit verwittert ist ("Pseudomorphose")


16 Blaugrüner Bottinoit als sekundäre Verwitterung entlang der Spaltbarkeiten eines Ullmannit-Kristalls (grau)


17 Hellgelber Millerit in grauem Bravoit, daneben stumpfgelber Kupferkies (Ölimmersion)


18 Hellgrauer Hämatit Fe2O3 in dunkler grauem Magnetit Fe3O4


19 Nochmals blaue und blauweisse Kupferglanze Cu(n)S(m) mit typischer Jägerzaun-Textur


20 Blauer Covellin als randliche Verwitterung von gelbem Kupferkies



Muschelbluemchen

Hallo Holger

Wirklich wunderschön! Danke fürs Reinstellen!!

herzliche Grüße
Leo

olaf.med

Lieber Holger,

schön mal wieder was von Dir zu sehen - und dann noch in dieser Qualität! Danke!!!

Schade, dass die Bilder nicht eine Woche früher eingestellt wurden. Ein paar davon hätte ich mir gerne für das Festkolloquium zu Ramdohrs 125 Geburtstag letzten Montag geklaut  ;D ;D ;D.

Herzliche Grüße,

Olaf
Gerne per Du!

Vorstellung: http://www.mikroskopie-forum.de/index.php?topic=4757.0

... und hier der Link zu meinen Beschreibungen historischer mineralogischer Apparaturen:
https://www.mikroskopie-forum.de/index.php?topic=34049.0

HDD

Lieber Holger

Der Antimonit, aus der Tiefe des Quarz-Meeres kommend, ragt wie Inseln aus dem Meer. :D  Tolle Bilder!

Herzliche Grüße

Horst-Dieter

koestlfr

Lieber Holger!

Bildgewaltig und spannend! Toll!

Liebe Grüße
Franz
Liebe Grüße
Franz

moräne


Ronald Schulte

Holger,

Kenne mich mit Auflicht gar nicht aus aber bin beeindruckt und sehe das auch hier die Moticam sehr gut leistet. Eigentlich kann ich nicht verstehen warum wir die scheinbar einzigen Moticam Nutzer hier im Forum sind.

Grusse Ronald und mache weiter so.
Mikroskope:
Leitz Orthoplan (DL, AL-Fluoreszenz und Diskussionseinrichtung).
Leica/Wild M715 Stereomikroskop.
Mikrotom:
LKB 2218 Historange Rotationsmikrotom.

Bernhard Lebeda

Zitat von: Holger Adelmann in Januar 16, 2015, 23:04:30 NACHMITTAGS

Vielleicht kommt ja der eine oder andere hier im Forum auch auf den Geschmack, die schöne Feldarbeit (das Auffinden und Schürfen auf teils uralten Bergwerks-Halden) mit dem Hobby
(Auflicht-)Mikroskopie zu verbinden.



Hallo lieber Holger

also mich hast Du ja schon infiziert! Ich über fleißig das anschleifen und es sind auch schon Builderl entstanden, aber die Qualität ist noch Lichtjahre von Deinen entfernt, so dass ich sie lieber noch zurückhalte  ;)


Viel Spaß bei Deiner Aufarbeitung und natöörlisch em Köllsche Karneval.

Als Nicht-Kölner sei mir noch ein herrlisches HELAU erlaubt  ;D

Viele auflichtige Mikrogrüße

Bernhard
Ich bevorzuge das "DU"

Vorstellung

Fahrenheit

Lieber Holger,

ich schließe mich an: schön, mnal wieder etwas von Dir zu sehen!
Da hast Du für uns ein schönes Spektrum Deiner dreijährigen Tätigkeit im Siegerland auf gemacht. ;)

Herzliche GRüße
Jörg
Hier geht's zur Vorstellung: Klick !
Und hier zur Webseite des MKB: Klick !

Arbeitsmikroskop: Leica DMLS
Zum Mitnehmen: Leitz SM
Für draussen: Leitz HM

TPL

Lieber Holger,

ich hatte ja so manches Bild von diesen Proben bereits gedruckt und per Beamer gesehen, muss aber gestehen, dass sie am Bildschirm noch besser wirken. Ein Augenschmaus! Vielen Dank.

En driemol kräftisch Oche* Alaaf!
Thomas

*wahlweise auch: Kölle, Bonn, ...

Klaus Herrmann

Traumhaft schöne Bilder lieber Holger,

Wenn du die Narrenkappe abgelegt hast und wieder Zeit für weitere Varianten hast, könntest du noch ein Bild des Cuprits in XPL machen?
Ich mag das leuchtende Rubinrot, das man dann sehen sollte! Dunkelfeld könnte sogar noch schöner sein!

Kölle ähm dings da ;D
Mit herzlichen Mikrogrüßen

Klaus


ich ziehe das freundschaftliche "Du" vor! ∞ λ ¼


Vorstellung: hier klicken

Rawfoto

Hallo Holger

Beeindruckend, vor allem die Anzahl der wirklich tollen Bilder ...

Liebe Gruesse

Gerhard
Gerhard
http://www.naturfoto-zimmert.at

Rückmeldung sind willkommen, ich bin jederzeit an Weiterentwicklung interessiert, Vorschläge zur Verbesserungen und Varianten meiner eingestellten Bilder sind daher keinerlei Problem für mich ...