Hilfe bei einem Gesteinsanschliff benötigt

Begonnen von Rawfoto, März 14, 2021, 17:13:10 NACHMITTAGS

Vorheriges Thema - Nächstes Thema

Rawfoto

Liebe Expertinnen

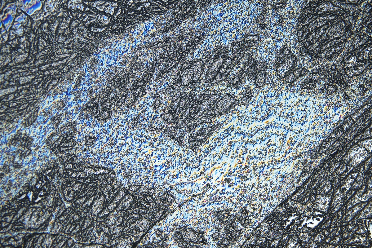
Ich habe vor etlichen Jahren (März 2013) von Stefan (Stefan_O) zwei unterschiedliche Gesteinsproben bekommen.

Eine war Olivin Amphibol Pyroxenit und bei der anderen vermuten wir Lherzolite von der Typlokalität Etang de Lherz - danke nocheinmal an Stefan :)



Die abgebildete Probe ist 30mm breit, ein PANORAMA aus 37 Bildern (kein Stack)

Aufgenommen mit dem Olympus BX-50 mit Auflichteinheit im Hellfeld, dem MPlan APO 2,5 und zwei Polfilter die NICHT in der Kreuzstellung verwendet wurden (zur Optimierung des Kontrasts). Der U-PO vor dem Umlenk-Prisma und der Drehbare Polfilter U-AN-360 unter der Tubuslinse. 100 Watt Lampenhaus. Aufnahme des Zwischenbilds mit der Nikon D-500

Der Anschliff wurde mit einer Struers Schleifmaschine mit klassischen SIK geschliffen (120 bis 1200), dann mit den Piano-MD-Scheiben 1200, 2000 und 4000 weiterbearbeitet und mit ND-NAP und 0,25 poliert

Jetzt habe ich nur noch das Problem, stimmt Lherzolite und was ist zu sehen? Die drei Hauptkomponenten sind ja:

  • Olivin
  • Klinopyroxen
  • Orthopyroxen

Dann könnte da noch Plagioklas, Spinell, Chromit und Granat vorkommen.

Es handelt sich um ultramafisches, plutonisches Peridotit-Gestein von Tiefgrüner - schwarzgrüner Farbe (was zumindest farblich hinkommt).

Da ich noch nicht wirklich viel Erfahrung mit Anschliffen von Mineralien habe gibt das natürlich nur Fragezeichen ...

Daher bitte um Hilfe :-)

Danke & liebe Grüße

Gerhard

Gerhard
http://www.naturfoto-zimmert.at

Rückmeldung sind willkommen, ich bin jederzeit an Weiterentwicklung interessiert, Vorschläge zur Verbesserungen und Varianten meiner eingestellten Bilder sind daher keinerlei Problem für mich ...

Rawfoto

Hallo

Noch ein Nachtrag, das ist kein SW-Foto, Farbe sehe ich aber nur im Auflicht DIC. Der Schieber ist aber nicht in einer aktiven Stellung und auch die Polfilter nicht in der X-Stellung ...

Ich habe auch einen Ausschnitt mit dem 5x Fotografiert - das Präparat liegt in Stellung und im Revolver befinden sich neben dem 2,5x auch noch 5, 10 und zwei 20 er. Es gibt auch noch 50x und 100X. Wenn also ein Ausschnitt gefragt ist kann das realisiert werden.

Liebe Grüße

Gerhard
Gerhard
http://www.naturfoto-zimmert.at

Rückmeldung sind willkommen, ich bin jederzeit an Weiterentwicklung interessiert, Vorschläge zur Verbesserungen und Varianten meiner eingestellten Bilder sind daher keinerlei Problem für mich ...

Marcus_S

Moin Gerhard,

ich hab zwar von dem Schliff keine Ahnung, aber eine Frage zu dem Objektiv:

das hat doch normalerweise das lambda-Viertel-Plättchen vorne dran und braucht doch eigentlich ziemlich exakt gekreuzte Polarisatoren. Wirkt sich das Nicht-kreuzen irgendwie auf die Reflexionsfarben aus?


Neugierige Grüße von

Marcus

Rawfoto

#3
Hallo Markus

Im XPL leuchten nur einige, wenige Pünktchen, der Rest ist schwarz ... (wenn kein DIK-Schieber im Strahlengang sitzt) ...

Das mit der Lambda 1/4 kommt mir seltsam vor. Ich beurteile mit diesen Objektiven die nicht eingedeckten Dünnschliffe auf Dicke. Wenn ich dort einem Lambda Schieber zusätzlich einschiebe habe ich die jeweilige Wirkung. Das schaut für mich eher nach Objektiven ohne eingebauten Lambda aus. Ich habe mir diese Frage vor deinem Beitrag aber nie gestellt. Da ich nur nach dem Histogramm arbeite fällt mir ein Fehler beim Belichtungsmesser nicht auf.

Liebe Grüße

Gerhard

Ps: im Olympus Prospekt finde ich auch nichts über eingebautem Lambda
Gerhard
http://www.naturfoto-zimmert.at

Rückmeldung sind willkommen, ich bin jederzeit an Weiterentwicklung interessiert, Vorschläge zur Verbesserungen und Varianten meiner eingestellten Bilder sind daher keinerlei Problem für mich ...

Marcus_S

#4
Moin Gerhard, ich nochmal...

wenige Pünktchen erscheint mir zu wenig... Hoffentlich bin ich nicht zu lehrerhaft: vorne am Objektiv müßte ein Rändel dransein. Und die vorderste "Linse" müßte schräg eingebaut sein, das sollte das lambda-Viertel-Plättchen sein. In einer drehbaren Fassung in dem Rändelring, aber das drehbar... manchmal ist das widerwillig. Oder festgegammelt.

Die Betriebsanleitung zu dem Objektiv muß auch irgendwo sein, aus der Erinnerung:

- mit einem anderen Objektiv die Polarisatoren an einem nicht-aktiven Präparat (Objektträger ?!) sorgfältig kreuzen
- das überaus schnuckelige MPlanApo2,5/0,08 (das gab es meines Wissens nur mit dem Antireflex-Plättchen) einschwenken
- am Rändel vorne am Objektiv maximale Helligkeit des Bildes einstellen. Dann wird es im Bild wirklich heller und dann kommen die Farben auch raus.

Dann ist das alles so zueinander ausgerichtet, daß sich die ganzen bösen (Apertur 0,08 eben) Reflexe der Linsen auslöschen, die des Präparates aber nicht. Und ob man mit der lambda-viertel-Platte DIK machen kann, ich weiß es nicht.

Probier einfach mal. Wenn's nicht besser wird, dann probier ich das mal aus. Muß dazu aber umschrauben...


Nochmal Grüße von

Marcus



Edit:

Hab die BA wiedergefunden, da steht das sinngemäß auch so drin. Aber auf japanisch oder englisch. ;-)
Für Farbfotografie wird eine Lampenspannung von 11 V empfohlen. Warum auch immer. Ist ja noch aus der Film-Zeit, das Objektiv, vielleicht konnte man das sonst mit dem Weißabgleich nicht hinkriegen.


Rawfoto

#5
Hallo Markus

ich lerne ja immer gerne dazu - es ist also keinesfalls zu viel  ;D

Mein 2,5er hat diesen Drehring, das Objektiv war in der hellsten Stellung. DIC habe ich immer mit 5 bis 100x verwendet, beim 2,5er gibt das ein flaues Bild (habe ich gerade versucht - bei mir ist ja alles aufgebaut).

Habe jetzt die Tonalität zwischen 2,5 - 5x und 10 x verglichen - wenn das 2,5x auf die hellste Stellung steht sind die absolut gleich ...

Spannende Sache ...


Ein Ausschnitt aus der gezeigten Übersicht (Panorama) mit dem 5x (ohne DIK):


Ein Ausschnitt aus der gezeigten Übersicht (Einzelbild) mit dem 10x (mit DIK):


Ein Ausschnitt aus der gezeigten Übersicht (Einzelbild) mit dem 10x (mit DIK):


Liebe Grüße

Gerhard
Gerhard
http://www.naturfoto-zimmert.at

Rückmeldung sind willkommen, ich bin jederzeit an Weiterentwicklung interessiert, Vorschläge zur Verbesserungen und Varianten meiner eingestellten Bilder sind daher keinerlei Problem für mich ...

Marcus_S

Hallo Gerhard,

dann ist das Präparat wirklich so finster. Kommt mir trotzdem komisch vor. Aber wenn das Objektiv soweit funktioniert und der Rändelring sich drehen läßt und das in der Hellstellung war und nun wieder ist, dann ist das ja soweit alles gut.

Oly schweigt sich in der Systembroschüre UIS über den Ring tatsächlich aus, ich bin überrascht. Die gibt nur kryptisch an, man brauche Analysator und Polarisator dazu. DIK gibt die Übersicht für das 2,5x nicht an, ich kann mir auch nicht vorstellen, daß das mit dem Antireflex-Plättchen funktioniert. Tut es ja auch nicht, hast Du ja probiert.

Und schick sehen die Bilder schon aus, finde ich. Nicht-biologisch Auflicht hat schon was. Da weiß ich wieder, warum ich eigentlich mal mit der Hobby-Metallographie anfangen wollte...


Frohes Schaffen!


Nochmal Grüße von

Marcus


Rawfoto

Hallo Markus

Ich muss morgen einmal nachsehen ob mein 1,25 MPlanAPO auch so einen Ring hat und dann möchte ich die beiden Lambda Schieber mit dem 2,5 x noch einmal testen (in unterschiedlichen Stellungen des Drehrings).

Das was ja Zufall das der Ring bei mir in der richtigen Stellung war, das war mir nicht bewusst. Bei Olympus haben mir die Leute den Ring so erklärt das man das Objektiv besser einschwenken kann - war für mich auch nachvollziehbar da eine Seite höher/niederer ist. Dabei hätte ich aber eine gleiche Bildqualität vorausgesetzt. Die verändert sich aber zumindest im Zusammenhang mit den beiden Polfiltern ...

Muss mir das mit einer polierten und geätzten Bronzeoberfläche ansehen - auf jeden Fall lerne ich dank deines Hinweises das Objektiv gerade besser kennen. Bin auch gespannt wie sich das ohne Polfilter bei normalen Makroobjektiven auswirkt ...

Liebe Grüße

Gerhard
Gerhard
http://www.naturfoto-zimmert.at

Rückmeldung sind willkommen, ich bin jederzeit an Weiterentwicklung interessiert, Vorschläge zur Verbesserungen und Varianten meiner eingestellten Bilder sind daher keinerlei Problem für mich ...

bergarter

grüß Dich Gerhard

ein interessantes Thema
Die Bilder sind auch super.
Ich hatte wie Du von Stefan O - was macht er eigentlich jetzt - eine Probe von diesem Gestein  - Lerzolith.
Bilder hatte ich hier im Forum auch gezeigt, und ein Rätselrater hat den Dünnschliff gekriegt.
Ich hab noch ein Stückchen Probe übrig.
Wenn es mit den Regeln des hiesigen Kulturschutzgesetzen in Einklang stünde, ( Frage an die Rechtsexperten ! )  könnte ich euch - Dir oder Udo  etwas für eure Abele überlassen, und ihr hätten einen schönen dünnschliffigen Vergleich.
Wenn ich auf meine Zeichnungen von damals sehe, erkenne ich kaum Spinell( Chromit, Magnetit....und so was )
inwieweit sich Klino- vom Orthopyroxen im Auflicht unterscheiden läßt, da habe ich gar keine Erfahrung, ich kann nur beisteuern, das ich keine Verwachsungen von Klino - mit Orthopyroxen sehe.  Plagioklas auch nicht

grüß Dich
Gerd

Rawfoto

Hallo Gerd

Danke, ich habe damals genügend Material gekauft. Ein Dünnschliff ist in Arbeit und fast fertig, wenn ich nicht den falschen Polfilter ins Schleiflabor mitgenommen hätte wäre er schon fertig ...

Ich bin auch schon sehr gespannt

Liebe Grüße

Gerhard
Gerhard
http://www.naturfoto-zimmert.at

Rückmeldung sind willkommen, ich bin jederzeit an Weiterentwicklung interessiert, Vorschläge zur Verbesserungen und Varianten meiner eingestellten Bilder sind daher keinerlei Problem für mich ...

Udo Maerz

#10
Hallo Gerhard,

für die Beurteilung von Erz- und Gesteinsanschliffen ist es im ersten Schritt absolut ausreichend, im normal polarisierten Licht zu betrachten (d.h. keine gekreuzten Poaristoren oder teilweise gekreuzten Polarisatoren oder Lambda-Schieber im Strahlengang). Eine erste Zuordnung kann über die Höhe der Reflexion und morpologischer Kennzeichen erfolgen (Spaltbarkeitsrisse:hier Plagioklas - Amphibol - Pyroxen - Olivin) Sie alle besitzen unterschiedliche Spaltbarkeiten (wie aus deinen Dünnschliffen bekannt). Ferner relative Schleifhärte als Spuren, die an Korngrenzen unterschiedlicher Körner enden können (etwas problematisch wegen der Härte-Anisotopie von Kristallen).
Und dann noch die relativen Helligkeitsunterschiede der einzelnen Phasen. Das Reflexionsverhalten sollte in der folgenden Richtung zunehmen: Amphibol / Pyroxen -> Olivin (sofern nicht umgewandelt). Erzkörner z.B. Magnetit sollten als deutlich hellere Partikel zwischen den Silikaten zu erkennen sein. Auch das Reflexionsverhalten kann bei unterschiedlichen Schnittlagen eines Minerals zu verschiedenen Helligkeitswerten führen.

Zeig doch mal ein Foto mit 5 facher Vergrößerung nur im polarisierten Auflicht.     

Hier ist ein kurzer einführender Link zu Daten von Brechungsindizes gesteinsbildender Minerale und Reflexionsdaten einiger Erze.

https://link.springer.com/content/pdf/bbm%3A978-94-011-7804-4%2F1.pdf

Aber dazu hat Stefan_O sicherlich noch viel mehr Infos.


viele Grüße
Udo Maerz

Marcus_S

Hallo Gerhard,

ich kicher noch immer in mich rein. Das kann ja wohl nicht sein, daß die Olympus-Leute das als Griffrändel verkaufen! Nun machen die extra so eine aufwendige Antireflex-Mimik da dran, drucken so einen schönen Waschzettel (hast Du eine funktionierende e-mail?) und eine so schöne Skizze des Wirkprinzips in der Broschüre

METALLURGICAL MICROSCOPES
BX2M/MX51
Printed in Japan M1634E-1007B

und dann kennen die das nicht. Na gut, genug gelästert.

Ja, Dein 1,25 dürfte auch ein solches Rändel haben, jedenfalls bezieht sich der Betriebsanleitungszettel auf beide Objektive, gleiches Vorgehen. Das 1,25x ist aber auf ein 22er Sehfeld begrenzt.

Interessant für Sammler oder auch Anwender könnte sein, daß (nach den Prospekten zu urteilen) die 1,25x und 2,5 MPlanApos in der UIS2-Serie wohl durch (nahezu?) identische MPlan-Fluorite abgelöst wurden. Warum auch immer.

An hellen/stark reflektierenden Oberflächen kann man sich mit dem 2,5x (das 1,25x kenne ich nicht, das dürfte noch deutlich empfindlicher sein) in AL-HF mit den Polarisatoren manchmal auch sparen, dann fallen die unerwünschten Reflexe der Linsen im Objektiv gegenüber den hellen Reflexen der Probe kaum auf.
Wenn man aber dunkle/schwach reflektierende Oberflächen in AL-HF untersuchen möchte, dann sieht man ohne Pol-lambda/4-Gedöns fast nur die Linsenreflexe und kaum noch die der Probe.

Wenn die Apertur dann größer wird, dann stören die Reflexe des koaxialen Beleuchtungslichts kaum noch, für meinen Geschmack ist das so ab N.A. 0,15 der Fall, dadrunter find ich's flau (Das kann man sehr schön sehen, wenn man ein MPlan5x und ein MPlanFl5x direkt miteinander vergleicht).

Das MPlanApo2,5x/0,08 ist übrigens auch schön für große, satt fluorochromierte Schnitte mit AL-Blau- und Grünanregung, trotz der geringen Apertur.

Und: durch den schrägen (schräg zum Wegspiegeln der Reflexe der lambda/4-Platte) Einbau der Antireflexplatte kommt es zu minimalem Strahlversatz gegenüber der "theoretischen" Achse. Deswegen "eiert" das Bild auch, wenn man beobachtet und an dem Ring herumdreht, ist nach meinem Wissen völlig normal.


Das Prinzip des Zauberplättchens erklärt die Olympus-Skizze so:

Aus dem Auflicht-Lampenhaus fällt ins Objektiv durch den Polarisator polarisiertes Licht. Das im Objektiv reflektierte Störlicht hat die gleiche Schwingungsrichtung und kann daher den gekreuzten Analysator nicht passieren. Im Auge sieht man also keine Störreflexe.
Das Licht, das nicht im Objetiv störend reflektiert wird (bei ordentlicher Vergütung also der allergrößte Teil), wird durch das lambda/4-Plättchen vor dem Objektiv (eben das in dem drehbaren Ring) depolarisiert (wie das funktionert - keine Ahnung), gelangt unpolarisiert auf die Probe, wird reflektiert, geht zurück durchs Objektiv und der durch den Analysator passende Teil gelangt ins Auge. Deswegen ist die Intensität des von der Probe noch im Auge ankommenden Lichts nicht so dolle.
Warum nun aber an dem lambda/4-Plättchen herumgedreht werden muß, keine Ahnung. Und ob das von der Probe reflektiert Licht nochmal depolarisiert wird oder was mit dem Licht sonst passiert - hab ich auch keine Ahnung. Vielleicht springt Olaf hier helfend ein.

Aber daraus wird auch klar, daß AL-HF-Objektive gerne nicht nur gut, sondern exzellent vergütet sein dürfen, auch oder besonders an der Linsenrückseite. Und daß Auflicht-HF mit Durchlicht-Objektiven eher nicht so richtig gut geht (weil die nicht immer zwingend alle auf der Rückseite exzellent vergütet sind), von der Deckglasdickengeschichte mal abgesehen. Besonders, wenn man dunkle Proben begucken möchte. Bei polierten (ungeätzten) Metallanschliffen ist mir das noch nicht so störend aufgefallen.


Oooh, nun hab ich hier alles vollgesabbelt. War grad so dabei. Sehr schlimm? Sonst nimm den großen Löschfinger, ich wollte Deine Schliffbilder nicht zerlabern.


Viel Spaß bei Deinen Experimenten!


Und nochmal Grüße von

Marcus


Udo Maerz

#12
Hallo Gerhard,

ein polierter Silikatanschliff sollte im polarisierten Auflicht in etwa so aussehen wie in dem folgenden link von einem lunaren Basalts im virtual microscope.

https://www.virtualmicroscope.org/node/907

Der Schliff enthält Plagioklas, Pyroxen, etwas Olivin und eine Erzphase.
Man kann damit etwas spielen und zwischen Durchlicht (Pol, auch gekreuzt) und polarisiertem Auflicht spielen.

Es ist ein polierter Dünnschliff und h e r v o r r a g e n d  poliert, man sieht deswegen kaum Kratzer oder Spaltspuren.

Vielleicht hilft das ja weiter, auf jeden Fall schön zum Spielen. Und es gibt davon noch viel mehr im virtual microscope.

Viele Grüße
Udo

PS

Etwas ähnlich, aber "auch nicht von dieser Welt" ...

https://www.virtualmicroscope.org/node/222





Rawfoto

#13
Guten Morgen

Natürlich vorerst danke :D

Das 1,25 MPlanAPO hat diesen Drehring auch, allerdings ist dort das Objektiv vorne gerade (in der Fassung - das 2,5er ist ja schräg und die Schräge kann beim Einschwänken schon helfen - diesen Tipp von Olympus habe ich schon öfters erfolgreich verwendet, auch wenn es nicht dafür gedacht ist)

Danke auch für die Tabellen, da würde mich interessieren aus welchem Buch die stammen. Das mit der Reflexion war mir bewusst, habe ich in Büchern gelesen und da wurde ja auch in der Vergangenheit im Forum schon öfters erwähnt. Ich habe bei den Anschliffen bisher meine Erfahrungen bei Metallen, Schadens-Stellen z.B. Schweißnaht und größeren Gesteinen (versteinertes Holz, versteinerte Muscheln und Schnecken usw.)  gesammelt.

Die Mailadresse schicke ich per PN - ich bin da sehr an den Olympus Unterlegen interessiert

Die folgenden beiden Bilder sind nur mit dem U-PO im Strahlengang (zwischen Lampe und dem teildurchlässigen Strahlenteiler positioniert). U-AN-360 und DIC ist aus dem Strahlengang gezogen. Beide Bilder sind mit dem UMPLanFl 5x (BD) im Hellfeld aufgenommen. Da hat sich nicht viel verändert, es kommt mehr Licht durch weil nur noch ein PO im Strahlengang ist. Es ist immer noch eine Schwarz/Weiß Aufnahme -Alle Tonwerte von Weiß bis Schwarz sind vorhanden - das Aufnahmehistogramm zeigt deutlich das es zu keinem Beschnitt von Tonwerten gekommen.





Es wurde im RAW fotografiert, die Kameraeigenschaften wurden durch Kalibrierung und Verrechnung des entsprechenden Profil herausgerechnet. Linearisierung der Tonwert-Treppen liegt vor, das kann ich mit Meß-Targets und dem Colorimeter überprüfen.

Das ist aber alles Fotografie Grundlagen und mit der Messpipette (Photoshop) kann ich im Lab Farbmodell bestimmen wo welcher Tonwert auf der Grauachse liegt (100% von Reinweiß bis Tiefschwarz) ...

Wie wird das in der klassischen Mikroskopie gemessen?
Wird da an der Stelle der Kamera eine Mess-Zelle positioniert?

Bei mir ist Reinweiß 100% Reflexion, der hellste Tonwert in beiden Bildern liegt bei auf 96% Reflexion und die tiefsten Tonwerte liegen auf 8% Reflexion (Kontrollmessung bei 90 und 18% Reflexion wurde durchgeführt (zur Sicherstellung der Linealisierung bei der Belichtung) ...

Die Farbtemperaturfehler der 100 Watt Halogenlampe wurde ausgeglichen (die 3 Farbkanäle sind deckungsgleich), es wurde die Bandbreite des Lichts nicht eingeschränkt. Das würde beim Messen natürlich noch einmal Genauigkeit bringen - so einen Filter habe ich aber nicht ...

Liebe Grüße

Gerhard

Gerhard
http://www.naturfoto-zimmert.at

Rückmeldung sind willkommen, ich bin jederzeit an Weiterentwicklung interessiert, Vorschläge zur Verbesserungen und Varianten meiner eingestellten Bilder sind daher keinerlei Problem für mich ...

hugojun

Hallo Gerhard,
ich bin mir sicher, dass es sehr aufwendig war diese Aufnahmen zu produzieren, und sie sind ästhetisch schön ,
aber sie sind mit Verlaub in keiner Weise zur Diagnose von Gesteinen hilfreich. Zurück zu deiner Eingangsfrage:
Zur Bestimmung braucht man Durchlicht-Aufnahmen, erst einmal nur mit eingeschaltetem Polarisator, sonst nichts.
LG
Jürgen